10月の中旬に実施した9年目の太陽光無料点検の結果がようやく届きました。
かれこれ一ヶ月以上になるのですが、随分時間がかかるものです。
すっかり、忘れられているのかと思いましたよ(汗)
前回のブログ記事では、5年目の点検に比べて、不安のある内容だったと書きましたが、どんな報告内容なのか開ける前から楽しみのような怖いような・・・
そんな気持ちで、まじまじと報告書を見たことで前回の点検の時は気づかなかった、わが家の太陽光発電の問題点に気がついてしまいました。

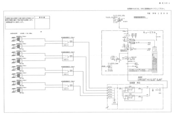
太陽光には配線図面がないのが普通って本当?ペンターKさんによる写真ACからの画像
見た目はしっかりしているように見える報告書
どうでも良い写真ですが、前回同様定番のエコスタイルの封筒で報告書が届きました。
送り状は、こんな感じ。
続いて、こんな現場写真の書類が同封されてました。
これは、5年目の報告ではなかったものです。
なんというか、パッと見は、やった感ある資料ですが、あまり情報量はないですね。
あくまで、現場が荒れた状態になってないよというぐらいの確認目的なんですかね?
あと、屋根勾配って、定期点検で変化するような項目ではないと思うのですが、後述の定期点検表の項目にも含まれているのが不思議です。
当日、何もツッコまれませんでしたが、接続箱の写真に浴室天井裏の、謎の隙間埋めDIYの証拠が写っているのが恥ずかしい(笑)
現場写真は、もう一つあります。
系統別の出力や電圧を調べる装置の画面の写真のようです。
これも前回見たことがなかっものですが、こんな点検を実際にしてくれたんだという記録としては、いいですね。
出ている数字の意味は、まったくわかりませんが(笑)
また、当日は、右上の電力モニタの発電量が低いことや屋根が濡れている写真が表している通り、少し雨がぱらつく曇りの天気だったのですが、こんな状態でもちゃんと計測できているのかも正直心配はありました。
点検表も結局前回同等内容?
そして今回の定期点検表であり、点検の完了報告書は、こんな内容でした。
まぁ、なんと綺麗な報告書(苦笑)。
いゃ、ちゃんと内容も伴った点検だったんだと思うのですが、やはり当日の点検の様子や内容には、5年目とは大きな違いがあるので、かなり違和感があります。
まず、太陽電池のフレームやガラスに破損や汚れがないとなっていますが、屋根の下の方から眺めただけですからねぇ。
まさに、前述の現場写真のアングルで見ただけで、各パネルの状況はわかるのでしょうか…
さらに架台やアース線なんて、どうやって見たんだろう?
また、外部配線のPFD管が西日で劣化していないかも心配だったんですが、ハシゴから眺めた角度からは絶対見えない位置にあるので、見えたはずがありません。
せめて、建物の裏にまわって下から見える範囲でも確認するかなと思っていたのですが、それもしてなかったのに○が付いているというのはどうなんだろう。
特に蛇腹の部分とか気になってたんだけどなぁ
次の15年目の点検まで、大丈夫と信じてそのままで大丈夫なのかどうかかなり不安があります。
[太陽光施工完了] 配管は見た目よりも、日差しでの劣化を考慮すべしの巻
今回は、太陽光シリーズの続きです。いゃはゃ、ホントこのシリーズ引っ張りすぎですね・・・[首痛くなってきてんけど・・・]太陽光発電の普及さて、前回は思いもよらない後付の隠蔽配線が出来るかもという申し出があったものの、あえなく不可となってしまったところまでを書きました。結局、当初の予定通り外部にエアコンカバーでの配管となったのですが、元々そのつもりだったのでモンダありません。(でも、期待して舞うやろ〜w…
報告書の右上には、前述の装置で計測したらしき、系統別の出力や電力値が記載されていました。これらは、事実だから、まぁそのとおりだと思うのですが、いまさらながら、わが家の太陽光は4系統の回路なんだと認識しました。
5年目の報告書で書いてあったんですが、その時は全く気にしてなかったようです(笑)
太陽光発電の施工完了は、今年の2月にやっとブログで報告したところでしたが、なんと現実ではもう5年目の点検時期となりました。[太陽光施工完了] 配管は見た目よりも、日差しでの劣化を考慮すべしの巻 – 太陽光発電今回は、太陽光シリーズの続きです。いゃはゃ、ホントこのシリーズ引っ張りすぎですね・・・太陽光発電の普及さて、前回は思いもよらない後付の隠蔽配線が出来るかもという申し出があったものの、あえなく不可となっ…
系統というのは、太陽光モジュールを直列に繋げた単位で、おそらくこんなイメージだと思います。
オムロン製パワーコンディショナの過積載対応について|創エネ・蓄エネ・省エネの機器・ソリューションならオムロン
オムロン製パワーコンディショナ(パワコン)の過積載対応についてを記載しております。パワーコンディショナの仕様で定義している範囲内であれば定格容量を超えた太陽光パネルが接続されることを理由に保証対象外となることはありません。弊社保証の範囲内といたします。
わが家の場合は、32枚のパネルを搭載しているので、おそらく8枚✕4系統になってるのかな。
確か、一般的には、一つの系統(ストリングとか言うらしい)の中で部分的に影がかかっただけで、その系統単位で発電量が大幅に低下するんだったと思います。
複数の屋根面にモジュール搭載する場合も、このように系統を分けるみたいですね。
太陽光発電用 パワーコンディショナKPシリーズ その他周辺機器|創エネの機器・ソリューションならオムロン
パワーコンディショナKPシリーズの周辺機器をご紹介します。創エネ課題に最適な機器・ソリューションで貢献するオムロンです。
わが家の太陽光発電システムの図面がない
で、このへんのことを調べていて、ふと疑問に思ったのが・・・
「わが家の太陽光の回路って、どうなってるんだろう?」
ってことです。
当時、めちゃめちゃざっくりしたパネルの設置図面を受け取っただけで、詳細な配線回路図面のようなものを受け取っていません。一応手元資料を色々探しても図面らしきものは、全くないんですよね。
アンケートで、未だ完結していないことを激励(?)いただいた太陽光シリーズの続きでございます(汗)。確かにどんだけ引っ張っとんねんというぐらい時間かかってますよねぇ。意外に太陽光は書くことが多くて亀の歩みで申しわけありません・・・m(_ _)mというわけで、前回激安業者に依頼するリスクを和らげるためにリフォーム瑕疵保険に入ることを考えた話の続きです。ギリギリまで価格交渉しておいて、本末転倒ちゃうんという声が聞こ…
今回、点検業務を下請けに出したことで、なんらかの情報は伝達しているのかなぁと思いますが、わが家の配線図面や仕様などの情報って内部的には管理してるんですかね?
なんてことが気になり調べていたら、こんな記事を見つけてしまいました。
太陽光モジュールや電気系統機器の保守点検にとって欠かせない、設備全体の配置図や電気系統の全体構造が明記された「図面」が存在しないという現状。その背景・原因とともに、法制度の必要性について考えます(この記事は「O&M Japan」からの転載記事です)。
なんと、太陽光発電システムの図面が存在しないことは、普通?なんだそうな。
4年前の記事なので、状況は変わっているかもしれませんが、これはちょっと驚きです。
わが家のような4系統の配線であれば、まさにこんな感じの図面があっても良さそうな気がしますが、やはりないんですかね?
わが家の床暖房でも、このような図面があったのに、高額な太陽光発電システムで配線図面がないとは・・・
この日は、平日の夜に誰もいない現場に会社帰りに立ち寄り、iPhoneのLEDライトを頼りに怪しげに徘徊していました(笑)すると、現場にあった書類に目が止まりました・・・・ボケボケですなwこれって・・・床暖房の見積書?どうやら床暖房の会社からアコルデ宛に送られた見積もりのFAXのようなのですが・・・た、高け〜!!!なんと、我が家の見積もり明細に載っていた床暖房の金額を遥かに超える金額です(大汗)。え???大丈夫?社長?この差…
今の所、エコスタイルは点検業務をなんとか対応してくれていますが、既に住宅用太陽光発電の新規販売は撤退しているみたいなので、将来どこまでサポートしてくれるか心配です。
万一、自分で点検業者を手配しなければならなくなった時に、配線図面がないと困りそうです。
もし、これから太陽光発電システムの設置をお考えの方は、図面が存在するのかどうかと、もらえるのかどうかは確認してみることをお勧めします。
ちなみに、9年目の点検でパワコンに不具合が出てくれて保証内で新しくしてもらえるワンチャンあるかもと密かに期待していたことは、ここだけの秘密です。
- みんなのWeb内覧会
- WEB内覧会<総合>
- WEB内覧会*玄関
- WEB内覧会*キッチン
- WEB内覧会*洗面所
- WEB内覧会*お風呂
- WEB内覧会*トイレ
- WEB内覧会*階段
- WEB内覧会*ダイニング
- WEB内覧会*リビング
- WEB内覧会<和室>
- WEB内覧会*寝室
- WEB内覧会*子供部屋
- WEB内覧会*書斎
- WEB内覧会*ワークスペース
- WEB内覧会*外構
- ローコスト住宅等の情報&住宅巡り
- 魅力ある家づくり...
- 家づくりを楽しもう!
- いえづくりのこだわり
- 新築・リフォームの間取りアイデア
- 家づくり
- 新築一戸建て
- マイホームブログ
- 住まいと暮らし
- マイホーム、我が家
- DIYブログコミュニティ
- 庭・外構・エクステリア・リフォーム















コメント